一、特性及應用
SWF系列風機應用于子午加速方法和“準三元”流動理論設計,采用直線形外簡、錐型輪轂、扭曲翼形葉片的結構形式。壓力較同機號軸流風機高,風量較同機號離心風機大。具有效率高、結構緊湊、噪聲低、體積小、安裝方便等優點,廣泛適用于賓館、飯店、商場、寫字樓、體育館等高級民用建筑的通排風、管道加壓送風及工礦企業的通風換氣場所。其中雙速風機可根據使用工況要求通過變速來調整所需風量、風壓。
二、型號說明
注: SWF(A) 型可根據需要制成消音型(進出風端加置專用滴聲器);表示方法:機號后面加字母“X" ;
SWF(A)型和SWF(B)型均可制成屋頂式結構:表示方法:機號后面加字母“W"
SWF-I系列混流式風機性能參數(1)
SWF-I系列混流式風機性能參數(2)
SWF-I系列混流式風機性能參數(3)
SWF-I系列混流式風機性能參數(4)
SWF-II系列混流式風機性能參數(1)
SWF-II系列混流式風機性能參數(2)


SWF-II系列混流式風機性能參數(3)
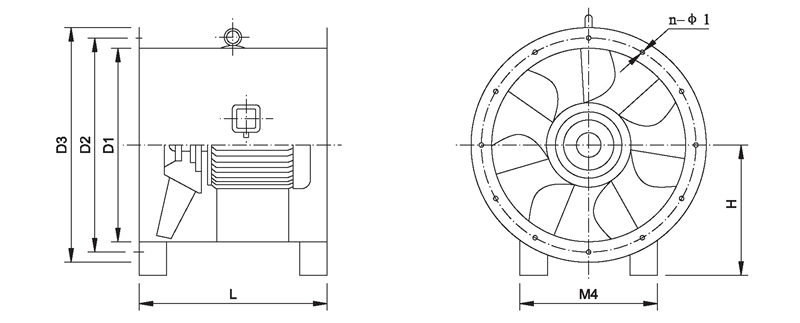
三、SWF-I系列混流式風機外形及安裝尺寸表
注:1、為了同用戶的安裝尺寸保持-致,法蘭打孔尺寸(n-φ1)僅供參考,若用戶沒有說明,本廠一般不打孔
四、SWF-1I系列混流式風機安裝尺寸表